Pomiar Mocy Biernej W Układach Trójfazowych
Rozumiem, nauka o mocy biernej w układach trójfazowych może wydawać się skomplikowana, niczym labirynt pełen wzorów i definicji. Wielu uczniów ma z tym trudności, a to zupełnie normalne! Pamiętaj, że każdy, nawet najtrudniejszy temat, da się zrozumieć, jeśli podejdziemy do niego krok po kroku, z odpowiednią dawką cierpliwości i odpowiednimi narzędziami. Ten artykuł ma na celu rozjaśnić ten temat, uczynić go bardziej przystępnym i pokazać, że pomiar mocy biernej w układach trójfazowych nie musi być straszny!
Czym właściwie jest moc bierna?
Zanim przejdziemy do układów trójfazowych, przypomnijmy sobie podstawy. Moc bierna (Q) to taka "ukryta" moc w obwodzie prądu przemiennego. Nie wykonuje ona użytecznej pracy, ale jest niezbędna do działania niektórych urządzeń, zwłaszcza tych, które mają cewki (indukcyjność) lub kondensatory (pojemność). Myśl o niej jak o sile potrzebnej do "rozpędzenia" silnika – zużywana, ale nie zamieniana na pracę mechaniczna wprost.
W idealnym świecie chcielibyśmy mieć tylko moc czynną (P), która wykonuje realną pracę (np. oświetla żarówkę, napędza silnik). Niestety, w rzeczywistości urządzenia z cewkami i kondensatorami pobierają także moc bierną, co obciąża sieć energetyczną. Zbyt duża moc bierna prowadzi do strat energii i spadków napięcia, dlatego tak ważne jest jej monitorowanie i kompensacja.
Jak wskazuje publikacja IEEE Std 1459-2010, precyzyjny pomiar mocy biernej jest kluczowy dla optymalizacji wydajności systemów energetycznych i minimalizacji strat.
Układy trójfazowe – dlaczego są wyjątkowe?
Układy trójfazowe są powszechnie stosowane w przemyśle i energetyce, ponieważ są wydajniejsze niż układy jednofazowe. Wykorzystują one trzy napięcia przesunięte względem siebie w fazie o 120 stopni. Dzięki temu moc jest dostarczana bardziej równomiernie, co przekłada się na mniejsze wibracje i dłuższą żywotność urządzeń.
Wyobraź sobie, że chcesz przesunąć ciężki mebel. W pojedynkę możesz mieć z tym trudności. Ale jeśli trzy osoby pchną go jednocześnie, ale w nieco różnych momentach, zadanie staje się znacznie łatwiejsze. Tak właśnie działają układy trójfazowe – rozprowadzają "wysiłek" równomiernie.
Metody pomiaru mocy biernej w układach trójfazowych
Istnieje kilka metod pomiaru mocy biernej w układach trójfazowych. Wybór metody zależy od dostępnych narzędzi, wymaganej dokładności i rodzaju obciążenia.
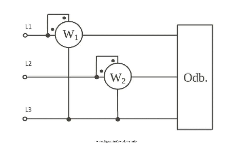
Metoda dwóch watomierzy
Jest to jedna z najpopularniejszych metod. Wykorzystuje dwa watomierze do pomiaru mocy w dwóch z trzech faz układu. Suma wskazań watomierzy daje nam całkowitą moc czynną w układzie trójfazowym. Moc bierna obliczana jest z wzoru, który uwzględnia wskazania watomierzy. Ta metoda jest uniwersalna i może być stosowana dla obciążeń zrównoważonych i niezrównoważonych.
Wzór na obliczenie mocy biernej w metodzie dwóch watomierzy:
Q = √3 * (W1 - W2)
Gdzie:
Q - moc bierna
W1 - wskazanie pierwszego watomierza
W2 - wskazanie drugiego watomierza
Metoda jednego watomierza i sztucznego punktu neutralnego
W tej metodzie wykorzystujemy jeden watomierz i tworzymy sztuczny punkt neutralny. Mierzymy moc w jednej fazie, a następnie obliczamy moc całkowitą, zakładając, że obciążenie jest zrównoważone. Metoda ta jest prostsza od metody dwóch watomierzy, ale mniej dokładna, zwłaszcza przy obciążeniach niezrównoważonych.
Pomiar bezpośredni za pomocą analizatorów sieci
Najnowocześniejsze rozwiązanie to użycie analizatorów sieci. Te zaawansowane urządzenia potrafią mierzyć jednocześnie napięcie, prąd, moc czynną, moc bierną, współczynnik mocy i wiele innych parametrów. Analizatory sieci są bardzo dokładne i dają pełny obraz sytuacji w obwodzie. Są powszechnie stosowane w przemyśle i energetyce do monitorowania jakości energii.
Praktyczne wskazówki dla uczniów i nauczycieli
Dla uczniów:
- Zacznij od podstaw: Upewnij się, że rozumiesz podstawowe pojęcia związane z prądem przemiennym, takie jak napięcie, prąd, faza, częstotliwość i impedancja.
- Wizualizuj: Używaj diagramów wektorowych, aby lepiej zrozumieć relacje między napięciem i prądem w obwodzie.
- Rób ćwiczenia: Rozwiązuj jak najwięcej zadań praktycznych. To najlepszy sposób na utrwalenie wiedzy.
- Nie bój się pytać: Jeśli czegoś nie rozumiesz, nie wahaj się zapytać nauczyciela lub kolegów.
- Eksperymentuj (ostrożnie!): Jeśli masz możliwość, spróbuj wykonać proste pomiary mocy biernej w laboratorium. Zawsze rób to pod nadzorem doświadczonej osoby.
Dla nauczycieli:
- Używaj analogii: Porównuj moc bierną do zjawisk z życia codziennego, np. do rozkołysania huśtawki.
- Wykorzystuj symulacje: Pokaż uczniom, jak działa moc bierna w obwodzie za pomocą programów symulacyjnych.
- Organizuj zajęcia praktyczne: Daj uczniom możliwość samodzielnego pomiaru mocy biernej w laboratorium.
- Dostosuj poziom: Uwzględnij różnice w poziomie wiedzy uczniów i dostosuj tempo nauki.
- Bądź cierpliwy: Pamiętaj, że nauka o mocy biernej może być trudna dla niektórych uczniów. Bądź wyrozumiały i oferuj pomoc.
Dlaczego warto zrozumieć moc bierną?
Zrozumienie mocy biernej jest kluczowe dla inżynierów elektryków, techników i wszystkich osób zajmujących się energią elektryczną. Pozwala to na:
- Projektowanie wydajnych systemów energetycznych: Minimalizacja strat energii i optymalizacja wykorzystania zasobów.
- Diagnostykę problemów w sieci: Identyfikacja przyczyn spadków napięcia i przeciążeń.
- Oszczędność energii: Kompensacja mocy biernej pozwala na zmniejszenie rachunków za energię elektryczną.
- Zapewnienie stabilności sieci: Kontrola mocy biernej jest niezbędna do utrzymania stabilnego napięcia i częstotliwości w sieci.
Badania przeprowadzone przez European Copper Institute wskazują, że kompensacja mocy biernej może znacząco obniżyć straty energii w systemach przemysłowych i budynkach komercyjnych, przyczyniając się do zwiększenia efektywności energetycznej.
Podsumowanie
Pomiar mocy biernej w układach trójfazowych to ważny element dbania o efektywność i stabilność sieci elektroenergetycznej. Choć temat ten może wydawać się trudny, pamiętaj, że z odpowiednim podejściem i narzędziami, każdy może go opanować. Mam nadzieję, że ten artykuł pomógł Ci zrozumieć podstawowe pojęcia i metody pomiaru mocy biernej. Nie poddawaj się i kontynuuj naukę! Powodzenia!
